Servomoteur MS-1.5A
Le servomoteur MS-1.5A a été développé indépendamment par Makeblock. Ses dimensions sont similaires à celles des servomoteurs 9g courants.

Comparaison des fonctionnalités
| Servomoteur MS-1.5A | Servomoteurs 9g plus anciens | |
|---|---|---|
| Hub de servomoteur monté avant livraison | Oui | Non |
| Prise en charge de l'assemblage rapide | Oui | Non |
| Compatible avec les pièces métalliques Makeblock et les blocs Lego | Oui | Oui, mais des supports d'adaptation sont nécessaires |
| Limite physique | Non (Les circuits ont été redessinés pour mieux protéger le servomoteur et ainsi garantir une durée de vie plus longue.) | Oui |
Exemple de connexion

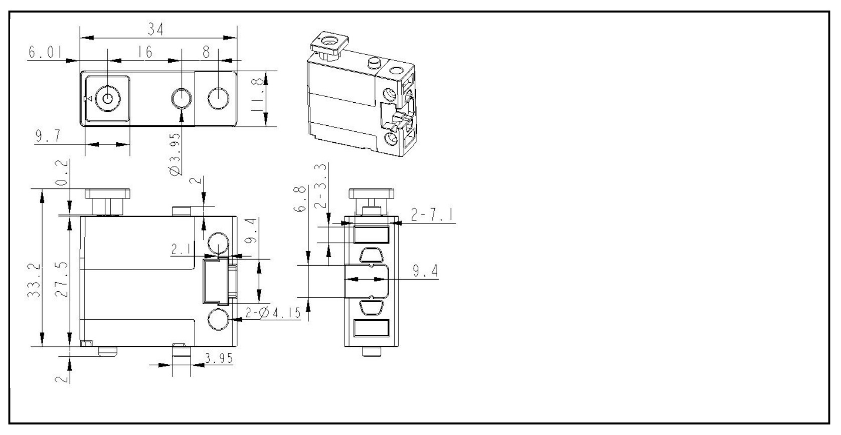
Dimensions (en millimètres)

Spécifications
Grâce à la technologie la plus récente dans l'industrie des servomoteurs, le servomoteur MS-1.5 offre des performances considérablement améliorées. Les spécifications suivantes sont décrites ci-dessous.
Spécifications électriques (paramètres de performance)
| Élément | 4,6 V | 6,0 V |
|---|---|---|
| Vitesse de fonctionnement (sans charge) | 0,11 ± 0,01 sec/60° | 0,10 ± 0,01 sec/60° |
| Courant de fonctionnement (sans charge) | 270 mA ± 50 mA | 380 mA ± 50 mA |
| Couple de blocage (verrouillé) | 1,5 kg ± 0,30 kg·cm | 1,8 kg ± 0,30 kg·cm |
| Courant de blocage (verrouillé) | 1200 mA ± 50 mA | 1500 mA ± 70 mA |
| Courant d'arrêt (arrêté) | 4 mA ± 1 mA | 4 mA ± 1 mA |
| Durée de vie (sans charge) | > 180 mille fois | > 150 mille fois |
:::info Note : Le servomoteur fonctionne sans charge lorsque la valeur moyenne de l'élément 2 est définie. :::
Spécifications mécaniques
| Élément | Spécification |
|---|---|
| Dimensions globales | Voir "Dimensions." |
| Angle limite | Non |
| Poids | Selon le poids réel |
| Spécification du fil | JST 2,54 mm #30 PVC noir-blanc-rouge |
| Longueur du fil | 260 ± 5 mm (connecteurs non inclus) |
| Spécification de la corne | 20T |
| Type de corne | Sans objet |
| Jeu excessif | ≤ 1° |
Spécifications de contrôle
| Élément | Spécification |
|---|---|
| Système de contrôle | Sans objet |
| Type d'amplificateur | Sans objet |
| Course de fonctionnement | 180°± 5° (500 à 2500 µ sec) |
| Écart angulaire gauche-droite | ≤ 5° |
| Écart de centrage | ≤ 1° |
| Position neutre | Sans objet |
| Largeur de bande morte | Sans objet |
| Sens de rotation | Sens inverse des aiguilles d'une montre (500 à 2500 µ sec) |
| Plage de largeur d'impulsion | 500 à 2500 µ sec |
| Course maximale | Environ 180° (500 à 2500 µ sec) |
- Texte original : https://www.yuque.com/makeblock-help-center-en/cyberpi/ms-1.5a_servo