TT Dual-Shaft Motor
Makeblock TT dual-shaft motor is a DC plastic gearbox motor that provides dual-shaft output. It supports the DC motor ports of extension boards in the CyberPi series and is applicable to various DIY projects to drive the rotation of any parts (such as wheels) connected to its shafts.
Specifications
| Item | Specification |
|---|---|
| Rated voltage | DC 6 V |
| Speed without load | 200 RPM ± 10% |
| Gear ratio | 1:48 |
Features
- Provides dual-shaft output
- Supports positive nagative rotation
- Provides high-precision control
- Designed in a simple structure, promising low-cost maintenance
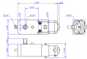
Structure and dimensions
Example
